歡迎光臨山東新澤儀器有限公司官方網站 CEMS在線監測 氣體分析儀 過程氣分析系統 進口分析儀表 聯系我們
西門子品牌
轉爐煤氣SITRANS SL原位激光分析儀

轉爐煤氣SITRANS SL原位激光分析儀

  • 品牌:SIEMENS
  • 型號:SITRANS SL
  • 廠家:西門子
產品說明

一、我國轉爐冶煉行業的現狀

鋼鐵行業在我國的國民經濟中,占有舉足輕重的地位。作為全球制造業中心,中國的工業化發展的潛力很大,經濟的持續增長,會為鋼鐵行業的發展提供動力。而今,中國的鋼鐵行業正經歷著兼并重組,淘汰落后產能,優化產業布局,發展循環經濟,實現節能減排的過程。鋼鐵行業健康穩步的發展,關系重大。

鋼鐵的冶煉過程實質上是原材料、燃料和成品的流轉過程,在流轉中伴隨著大量氣體產生,而在線檢測分析這些過程氣體是冶金工業生產工藝優化控制、安全和環保監控必不可少的關鍵技術之一。西門子公司是中國鋼鐵工業的合作伙伴,一直致力于推動中國鋼鐵工業自動化水平不斷提高。西門子分析儀器能夠應用于鋼鐵行業中的煉鋼、煉鐵及燒結等各個裝置,對降低能源消耗、保證生產安全等起著十分重要的作用,還對鋼鐵企業增大產能,提高產品質量有積極的效果。

二、轉爐冶煉為什么要安裝SITRANS SL原位激光分析儀

轉爐煉鋼的特點是吞吐量大、周期短、冶煉強度高,轉爐生產中易產生大量煙氣,其主要成分是煤氣,其中CO約占60%~70%.它是一種有毒、有害、易燃、易爆的危險性氣體.也是一種很好的化工原料和工業生產能源。因此,對轉爐煤氣的凈化與回收是煉鋼中不可忽視的重要部分。過去對煉鋼所產生的氣體都采用直接放散,它不僅污染大氣,破壞了自然環境,還浪費了許多能源。實現轉爐煤氣最大限度回收,對降耗增效,減少大氣污染,節能環保有著巨大的經濟和社會效益。

分析儀在其中測量CO/CO2O2的值,分別在二次除塵后,煙道排放前以及氣柜出口,電除塵前的位置。CO/CO2的檢測是保證回收到最有價值的煤氣,O2的檢測是避免煤氣中的氧氣含量過高導致在回收或使用中發生爆炸。

這兩個測量點,采用維護方便,響應時間短的SITRANS SL是一個比較好的選擇。IP65的防護等級,1區的防爆設計以及自動標定的功能完全可以滿足現場惡劣的工況,保證有效安全的回收煤氣。

在鋼鐵行業的煤氣回收中,包括高爐煤氣、COREX爐煤氣、焦爐煤氣等,會對煤氣中H2S的含量有一定的要求,分析儀在煤氣回收中還有一個應用電就是采用色譜分析儀測量煤氣中硫的含量。

三、選擇西門子SITRANS SL 原位激光分析儀的關鍵性

由高爐煉鐵、氧氣轉爐煉鋼、最后經軋機軋制組成的“長流程”是當今鋼鐵行業的主要生產流程,超過三分之二的鋼材由長流程生產。鐵礦石經高爐煉制形成鐵水,在鐵水中包含大量的碳和雜質(如硫、磷等),為了得到高質量的鋼材,鐵水必須經進一步處理,去除碳和雜質。氧氣轉爐(BOF)是普遍的煉鋼設備,將鐵水注入轉爐,由水冷噴頭向轉爐內吹入高壓氧氣。吹入的氧與鐵水中的碳經過氧化結合生成COCO2,并以爐氣的形式與鐵水脫離、排放。整個轉爐煉鋼的工藝流程約15至20分鐘。爐氣中的CO 和CO2 可以作為反映轉爐工作狀態的參數組,通過監測爐氣中CO、CO2的含量,可以提高轉爐的工作效率。SITRANS SL 原位激光分析儀的快速相應能夠精確地確定整個工藝的結束時間,節約大量的氧氣與能量,優化整個流程。轉爐氣體中含有大量的CO,可以作為可燃煤氣回收,此類高CO氣體的回收處理需特別注重防爆安全。測量快速、準確、無干擾是SITRANS SL原位激光分析儀的特點之一,使用SITRANS SL 原位激光分析儀監測轉爐回收煤氣中的氧含量可以增強安全性。

四、選擇SITRANS SL 原位激光分析儀正確的選擇

  1、SITRANS SL 原位激光分析儀產品簡介

SITRANS SL是一款借助不同氣體組份特定光吸收的測量原理的二極管激光氣體分析儀。SITRANS SL適合于過程或燃料氣體中的氣體濃度的快速和非接觸測量。傳感器(發射器和接收器) 只需直接安裝在監測的工藝氣體管道上,無需采樣系統。處理測量信號為一個濃度值、監控、控制和通訊服務的硬件都被集成于這兩個主要的模塊中。該傳感器是為嚴厲環境條件下的操作而設計的。激光從變速器被發送,穿過過程氣體,到達接收器端上的檢測器。測量是通過借助一個非常短的響應時間而在線地執行的,允許過程控制中快速和有效的成本節省。激光的本質特性決定了單一的光譜可以不受干擾。由于激光的帶寬特別窄,只有吸收光譜與之相吻合的氣體組分才能夠有(吸收)反應。由于激光技術所固有的優秀補償能力,所以來自其它方面的干擾,例如灰塵和溫度,就可很容易地被去除。在線的內置參比池充滿了無干擾參比氣體,是已存在的西門子TDL(可調諧二極管激光)技術優勢的進一步發展,無需人為自標定而且維修要求低。

 2、選擇SITRANS SL 原位激光分析儀的理由

我國目前主要采用電捕焦油器捕集煤氣中的焦油霧。電捕焦油器是利用高壓靜電作用下產生正負極,使煤氣中的焦油霧在隨煤氣通過電捕焦油器時,由于受到高壓電場的作用被捕集下來。由于煤氣易燃易爆,如果煤氣中混有氧氣,當煤氣與氧氣的混合比例達到爆炸極限時就會發生爆炸。因此氧含量的控制至關重要。而對O2濃度的在線檢測主要采用傳統的抽取式氣體分析儀。這一技術對氣體潔凈度的要求十分苛刻,而氣體檢測采樣過程當中的粉塵、焦油和液滴等其它雜質,很容易污染分析儀內部元器件,造成采樣分析錯誤。在實際應用中, 需要通過蒸汽引射探頭取樣、多級除塵、除硫、除萘、除焦油、除酸霧、除水等、增壓穩壓、穩流、快速回路、伴熱保溫等樣品處理方式來完成氣體潔凈度的要求,確保所使用的磁氧分析儀能夠準確分析及長期使用。

由此可見,抽取式氣體分析儀完全依賴于氣體的采樣和預處理系統。如果一旦氣體的采樣和預處理達不到分析儀的要求,儀器就會處于癱瘓狀態,同時要求日常維護工作量與維護的投入較大。整個分析過程的采樣管線及預處理和分析儀之間距離較長,導致系統響應時間長,分析反應遲滯,不能很好地滿足工業過程實時控制的要求。

   焦爐煤氣電捕焦油器典型工況

                   焦爐煤氣電捕焦油器典型工況

 3、激光氣體分析儀測量原理及SITRANS SL型激光分析儀的特點

由于各物質分子內部結構不同,分子的能級也千差萬別,各能級之間的間隔也互不相同,這就決定了它們選擇性地吸收不同波長的光線。

激光分析儀正是依據分子的特征吸收譜,以比爾-朗波特定律為理論基礎,充分發揮激光的單色性、方向性與高亮度等特性,實現對某種特定氣體進行濃度分析。如果已知某種氣體成分的特征吸收波長和吸收常數,利用激光光源的強單色性,使波長正好等于該成分吸收波長的光透過氣體,檢測并分析得到光的吸收強度,結合激光在氣體中的傳播路徑,就能得到待測成分的濃度。測量原理示意如圖1所示:

   激光分析儀特征吸收譜

     圖1 激光氣體分析儀測量原理示意圖與傳統氣體分析儀相比較,西門子的SITRANSSL 型激光氣體分析儀有如下優點:

(1)為提高測量靈敏性,減少其它氣體分子的干擾,儀器采用了波長調制技術:將激光束的波長調節成被測氣體分子所吸收的特定波長, 其它氣體分子對激光束不再產生吸收,解決了背景氣體的交叉干擾問題。

(2)“二次諧波處理”方法和“自動增益控制”技術專用于濾除粉塵影響及粉塵動態變化的情況。激光分析儀接收到的信號弱于發射信號的強度,這是粉塵阻擋與氣體吸收共同作用的結果。粉塵對信號的影響是遮擋,信號強度在整個頻譜范圍內均有減弱,而氣體分子是有選擇性地吸收,可以理解為是某個頻率的函數。“二次諧波處理”是將信號以數學級數的方式展開,只針對展開式的二次諧波信號進行分析,這樣就可以確保消除粉塵等干擾信號,將粉塵等影響完全去除?!白詣釉鲆婵刂啤笔且豁椫悄芸刂萍夹g,根據接收到的信號強度自動調節增益值,特別是當粉塵含量動態變化時,縱然原始接收信號的幅度變化劇烈,經自動增益處理后,總能限制在某一適當的幅度范圍,既不過于微弱,也不會產生飽和失真的狀況。正是由于采用“二次諧波處理”技術,不會因為信號經“自動增益控制”調控幅度而影響分析的準確性,兩者相輔相成。

(3)分析儀器帶自動標定功能。通過在光路上增加氧同位素模塊,使得儀器在每個分析周期都可以使用同位素的頻譜進行自我標定,確保儀器的零點和量程沒有漂移,具備長期運行穩定性。

(4)無需采樣預處理系統,具有現場安裝測量、測量精度高、響應速度快等優點。

(5)激光分析儀具備ATEX II 2G Ex de op is IIC T6 / II 2 D Ex tD A21 IP65 T85 ?C認證,適用于更多的危險環境應用。

 4SITRANS SL 原位激光分析儀應用

為了能夠使激光氣體分析儀準確而又有效的應用于電捕焦油器出口的氧含量檢測這一特殊情況,基于激光氣體分析儀的工作原理及電捕焦油器出口的現狀,我們選擇了SIEMENS SITRANS SL激光分析儀及與其配套的安裝吹掃方式。

1)、激光氣體分析儀主要由帶吹掃單元的發射裝置、帶吹掃單元的接收裝置及處理單

    元構成工作原理,如圖所顯示。

激光氣體分析儀構成

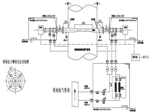
2)、激光氣體分析儀測量示意圖

其原理是:發射裝置和接受裝置通過法蘭安裝在現場的氣體管道的兩側,發射裝置發出的紅外激光發射到氣體管道另一側的接收裝置上,由于管道內被測氣體分子對激光束進行單線光譜吸收,導致激光某一吸收譜線的光能量發生改變,光能量變化情況與被測氣體含量成對應關系,通過檢測光能量變化情況就可以得出被測氣體的濃度。

3)、現場使用情況

如圖所示,我們優化了安裝方式,通過特制的一體化吹掃管光程系統,避免了焦油、粉塵對光窗的污染,保證了儀器的長期穩定運行。通過特制的吹掃氣控制系統,確保了吹掃氣的可選擇范圍更大,對吹掃氣的質量、流量及壓力做到更穩定的控制。

      激光氣體分析儀吹掃單元及安裝示意圖

              激光氣體分析儀吹掃單元及安裝示意圖

4)、主要特點

(1)原位安裝,無需樣品維護的成本及不確定性;

(2)實時測量分析,響應時間快,不存在滯后時間,確保用戶設備的使用安全;

(3)吹掃氣的吹掃,確保工藝中的水分、粉塵、焦油等有害物質污染光窗;

(4)測量靈敏性高,受其它氣體分子的交叉干擾小;

(5)采用二次諧波技術,防止粉塵對測量的干擾;

(6)緊湊型的設計,確保其穩固耐用;

(7)內置參比池的設計,可自動標定,確保其測量穩定;

(8)自動增益控制,做到了動態煙塵補償,避免了因工藝粉塵變化影響透光率;

5、SITRANS SL 原位激光分析儀圖片展示

      1)設備圖

SITRANS SL 原位激光分析儀

SITRANS SL 原位激光分析儀

SITRANS SL 原位激光分析儀解剖圖

SITRANS SL 原位激光分析儀

SITRANS SL 原位激光分析儀

 



tag:


優質的服務流程

· quality of service processes ·

掃一掃,微信關注掃一掃,微信關注

Copyright ? 2015-2023 山東新澤儀器有限公司 版權所有
全國熱線:400-050-3910
E-mail:xinzeyiqi@163.com
地址:濟南市槐蔭區太平河南路1567號均和云谷匯智港6號樓
魯ICP備16002986號-5? XML地圖



受信任網站


逛了這么久,何不咨詢分析儀工程師?1分鐘留下信息我們將給您出具解決方案!

在線咨詢

Online Consulting

在線客服 在線咨詢1 在線咨詢2 在線咨詢3
掃一掃,微信關注

咨詢熱線

400-050-3910