優質的服務流程
· quality of service processes ·

需求溝通傾聽客戶需求,了解用戶使用環境和現場工況
方案設計根據現場實際工況,針對性出具解決方案
合同簽訂技術和商務規范確認,簽訂合作協議
產品制作選擇最優質的元器件,嚴格按照技術協議
調試安裝現場規范安裝,靜態動態調試,分析儀運行
售后服務后續維護,持續跟進,終身維修

全國熱線
銷售熱線
公司地址山東濟南市槐蔭區太平河南路1567號均和云谷濟南匯智港6號樓
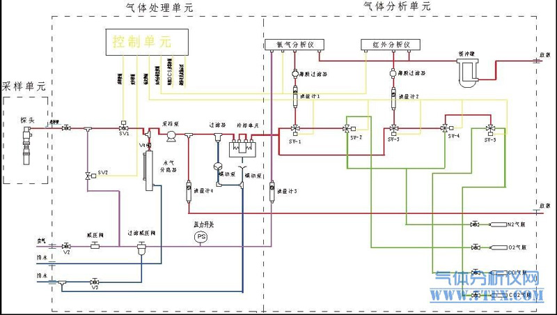
如何正確選擇氣體預處理各個部件,一起來探討!

? 什么是減壓式氣體取樣探頭?
減壓式氣體取樣探頭是將減壓閥和取樣管組合成一體,將樣品減壓后再取出的一種探頭,國外將其稱為GPR(Genie Probe Regulator)探頭,可譯為Genie探頭式減壓器或Genie減壓調節探頭,由美國A+公司開發生產。這種探頭多用于天然氣管道取樣,可在14MPaG(2000psiG)壓力下工作,其優點是可以防止天然氣凝析液進入分析儀,也可用于其他易液化氣體或中高壓氣體樣品的取樣。該探頭下端裝有熱翼片,其作用是當樣品減壓膨脹濕度降低時,可通過翼片吸熱從氣流的熱質中得到補償。
? 氣體分析系統對樣品傳輸的基本要求有哪些?
(1) 傳輸滯后時間不得超過60s,這就要求氣體分析儀至取樣點的距離盡可能短,傳輸系統的距離盡可能小,樣品流速盡可能快(1.5-3.5m/s之間為宜,故選擇大功率的真空抽氣泵作為增壓設備)。
(2) 如果在氣體分析儀允許通過的流量下,時間滯后60s,則應采用快速回路系統(如真空抽氣泵抽氣量是6L/ min,但是分析儀只需要500ml/min,多余的樣氣全部排掉)。
(3) 氣體傳輸管線最好是筆直地到達氣體分析儀,只有最少數轉角。
(4) 沒有死的支路和死的體積。
(5) 對含有冷凝液的氣體樣品,傳輸管線應保持一定坡度向下傾斜,最低點應靠近氣體分析儀并設有冷凝液收集罐。傾斜坡度一般為1:12,對于黏滯冷凝液可增至1:5。
(6) 防止相變,即在傳輸過程中,氣體樣品完全保持為氣態,液體樣品完全保持為液態。
(7) 樣品管線應避免通過極端的濕度變化區, 它會引起樣品條件無控制的變化。
(8) 樣品傳輸系統不得有泄漏,避免樣品外泄或環境空氣侵入。
? 樣品氣體處理系統的作用是什么?它有什么重要性?
樣品處理系統的作用是保證氣體分析儀在最短的滯后時間內得到有代表性的工藝樣品,樣品的狀態(濕度、壓力、流量和清潔程度)適合氣體分析儀所需的操作條件。
在線氣體分析儀能否用好,往往不在氣體分析儀自身,而是取決于樣品系統的完善程度和可靠性。因為,氣體分析儀無論如何復雜和精確,分析精度也要受到樣品的代表性,實時性和物理狀態的限制。事實上,樣品系統使用中遇到的問題往往比氣體分析儀還要多,樣品系統的維護量也往往超過氣體分析儀本身。所以, 要重視樣品系統的作用,至少要把它放在和分析儀等同的位置上來考慮。
? 對氣體樣品系統的基本要求有哪些?
(1) 使氣體分析儀得到的樣品與工藝管線或設備中物料的組成和含量一致。
(2) 工藝樣品的消耗量最少。
(3) 易于操作和維護。
(4) 能長期可靠工作。
(5) 系統構成盡可能簡單。
(6) 采用快速回路以減少樣品傳送滯后時間。
? 取樣點的位置如何選擇?
在工藝管線上選擇氣體分析儀的取樣點位置時,應遵循下述原則,最佳位置可能是以下各點中某幾點的權衡:
(1). 取樣點應僅位于能反映工藝流體性質和組成變化的靈敏點上;
(2). 取樣點應僅次于對過程控制最適宜的位置,以避免不必要的工藝滯后;
(3). 取樣點應僅次于可用工藝壓差構成快速循環回路的位置;
(4). 取樣點應選擇在樣品溫度、壓力、清潔度、干燥度和其他條件盡可能接近氣體分析儀要求的位置,以便使樣品處理部件的數目減至最小(越多部件出問題的隱患越多);
(5). 取樣點位置應易于從扶梯或固定平臺接近;
(6). 在線分析儀和實驗室分析取樣點應分開設置。
一般認為,在大多數氣體和液體管線中,從產生良好混合的湍流位置上取樣,可保證樣品真正具有代表性。因為氣體或流體混合物除非有湍流存在是不容易達到完全混合的,取樣點可選在一個或多個90o彎頭之后,緊接最后一個彎頭的順流位置上,或選在節流元件下游一個相對平靜的位置上(不要緊靠節流元件)。
盡可能避免以下情況。
(1) 不要在一個相當長而直的管道下游取樣。因為這個位置流體的流動往往呈層流狀態,管道橫截面上的濃度梯度會導致樣品組成的非代表性。
(2) 避免在可能存在污染的位置或可能積存有氣體、蒸汽、液態烴、水、灰塵和污物的死體積處取樣。
? 對于清潔樣品、含塵氣樣、臟污液樣、各應采用何種探頭取樣?
對于清潔樣品或含塵量不大(<10mg/m3)氣體樣品,采用直通式(敞開式)取樣探頭,探頭切口呈45o角,背向流體流動方向。
含塵量較高(>10mg/ m3)的氣體樣品, 可采用過濾式探頭取樣,過濾器裝在探管頭部(工藝管道內)的稱為內置過濾器式探頭,裝在探管尾部(工藝管道外)的稱為外置過濾器式探頭。
對于乙烯裂解氣、催化裂化再生煙氣、硫磺回收尾氣、煤或重油汽化氣、尿素酸性氣等復雜條件樣品的取樣,應采用特殊設計的專用取樣裝置。
? 取樣探頭的長度應如何確定?
探頭的長度主要取決于插入長度,為了保證取出樣品的代表性,SINZEN新澤儀器推薦插入長度至少等于管道內徑的1/3。
? 氣體取樣探頭應從什么方位插入工藝管道?
氣體取樣探頭的插入方位應作如下考慮:
1.水平管道 氣體取樣,探頭應從管道頂部插入,以避開可能存在的凝液或液滴,探頭應從管道側壁插入,以避開管道上部可能存在的蒸氣,以及管道底部可能存在的殘渣和沉淀物。
2.垂直管道 從管道側壁插入。
? 在線氣體分析儀表和樣品處理系統中使用的Tube管有哪些類型和規格?
常用的Tube管按材質分,主要有316不銹鋼和304不銹鋼;按成型工藝分,有無縫鋼管(先熱軋后冷拔而成)和焊接鋼管(用帶鋼焊接而成)兩種; 按其外徑和壁厚尺寸采用的計量單位制有英寸制Tube管米制Tube管兩種。
? 在線氣體分析儀表和樣品處理系統中使用的管接頭有哪些類型?
答:管接頭的類型繁多,但可歸納為以下幾個大類。
1. 中間接頭(Union) 用于Tube管和Tube管之間的連接,或者說兩邊均采用卡套連接的接頭,主要有以下幾種:直通中間接頭(Union);三通中間接頭(Union Tee);四通中間接頭(Union Cross);彎通中間接頭{Union Elbow(有90o和45o彎通兩種)};穿板接頭(Bulkhead Union)。
2. 異徑接頭(Reducing Union) 用于不同管徑Tube管之間的連接,俗稱大小頭,也是一種中間接頭。
3. 終端接頭(Connector) 用于Tube管和分析儀、樣品處理部件(過濾器、減壓閥、流量計、樣品泵等)之間的連接。這種接頭,一邊采用卡套和Tube管連接,一邊采用螺紋和分析儀及樣品處理部件連接,是Tube管終端處的連接件,所以稱為終端接頭。主要有以下幾種:直通終端接頭(Connector);三通終端接頭(Connector Tee);彎通終端接頭{Connector Elbow (有90o和45o彎通兩種)};穿板接頭(Bulkhead Connector)。
4 壓力表接頭(Gauge Connector) 用于Tube管和壓力表之間的連接,也是一種終端接頭。主要有直通(Gauge Connector)和三通(Gauge Connector Tee)兩種。
5 其他如短管接頭(Adapter)、管堵頭(Flug)、管帽(Cap)等,不再贅述。
? 什么是取樣管路伴熱?什么是隔熱?
伴熱(heat-tracing) 利用蒸汽伴熱管、電伴熱帶對樣品管線加熱來補充樣品在傳輸過程中損失的熱量,以維持樣品濕度在某一范圍內。
隔熱(thermal insulation) 為了減少樣品在傳輸過程中向周圍環境散熱,或從周圍環境中吸熱,而在樣品管線外表面采取的包覆措施。或者說,為保證樣品在傳輸過程中免受周圍環境溫度影響而采取的隔離措施。
? 樣品傳輸管線為什么要進行伴熱或隔熱保溫?哪些樣品需要伴熱或隔熱保溫傳輸?
在石油化工裝置中,樣品傳輸管線往往需要伴熱或隔熱保溫,以保證樣品相態和組成不因溫度變化而改變。樣品傳輸過程中一個明顯的溫度變化來源是天氣的變化, 我國處于大陸性季風帶,冬夏極端溫度之差往往高達60℃以上。此外,還必須考慮直接太陽輻射的加熱效應,在夏季陽光曝曬下,樣品管線表面溫度有時可達80-90℃。因此,在樣品傳輸設計中必須考慮環境溫度變化對樣品粗態和組成的影響。
氣樣中含有易冷凝的組分,應伴熱保溫在其露以上;液樣中含有易氣化的組分,應隔熱保溫在其蒸發溫度以下或保持壓力在其蒸氣壓以上。微量分析樣品(特別是微量水、微量氧)必須伴熱輸送,因為管壁的吸附效應隨溫度降低而增強,解吸效應則呈相反趨勢。易凝析、結晶的樣品也必須伴熱傳輸。總之,應根據樣品條件和組成,根據環境溫度的變化情況,合理選擇保溫方式,確定保溫溫度。
? 蒸汽伴熱有何公有優缺點?
采用低壓蒸汽伴熱的優點:溫度高,熱量大,可迅速加熱樣品并使樣品保持在較高溫度。其缺點如下:
1 .蒸汽伴熱系統因蒸汽管徑偏細,氣壓不能太高和存在立管高度的變化,有效伴熱長度受到很大的限制,以致樣品管線較長或重負荷伴熱時,不得不采用分段伴熱的做法。根據國外資料,蒸汽伴熱的最大有效伴熱長度為100ft(30.48m),因此,對于60m長的樣品管線,一般要分兩段伴熱。
2 .蒸汽壓力的波動會導致溫度的較大幅度變化,供氣不足甚至短時中斷也時有發生,難以達到樣品管線伴熱溫度均衡、穩定的要求。
3 .樣品管線采用蒸汽伴熱時,對伴熱溫度進行控制是非常困難的,或者說是不可控的(對樣品處理箱可采用溫控閥控溫)。
? 與蒸汽伴熱方式相比,電伴熱有何優越性?
目前國內石化企業大多使用蒸汽伴熱方式,主要原因是可以利用廠內原已存在的蒸汽鍋爐,但其伴熱效能及日后運轉中的維修和水泵都遠不如采用電伴熱經濟。另外,供汽管網和回水管路的材料、保溫安裝及日后維護費用、蒸汽用水的費用也是相當可觀的。與蒸汽伴熱相比,電伴熱還具有以下優點。
1 電伴熱是比較簡單的伴熱系統,不像蒸汽伴熱那樣需要復雜的供汽管網和回水管路,所需的供配電設施可與其他電氣線路共用。
2 電伴熱的熱損失范圍和運行、維護費用僅限于伴熱管線上。
3 電伴熱是極易控制的伴熱系統,其溫度控制可以十分精確,這是蒸汽伴熱無法達到的。
4 無噪聲、無污染,蒸汽伴熱有“跑、冒、滴、漏”現象,電伴熱則沒有。
5 電伴熱帶的使用壽命可達25年甚至更長,這一點是蒸汽伴熱很難達到的。
6 安裝、使用、維護方便。
很多發達國家已在工業領域普遍采用電伴熱技術,目前國內新建的大型石化項目,儀表系統的伴熱不少已采用電伴熱。但需注意電伴熱溫度范圍通常低于200℃,蒸汽伴熱范圍可達到450℃,有些樣品的汽化、傳輸仍需采用蒸汽伴熱方式。
? 樣品處理的基本任務和功能是什么?
答:分析儀通常需要不含干擾組分的清潔、非腐蝕性的樣品,在正常情況下,樣品必須是在限定的溫度、壓力和流量范圍之內。樣品處理的基本任務和功能可歸納如下:
? 流量調節,包括快速回路和分析回路;
? 壓力調節,包括降壓、抽吸和穩壓;
? 溫度調節,包括降溫和保溫;
? 除塵;
? 除水除濕和氣液分離;
? 去除有害物,包括對氣體分析儀有危害的組分和影響分析的干擾組分。
? 樣品處理系統常用的流量調節部件有哪些?
答:(1)球閥(Ball Valvees)閥芯呈球形,用于切斷或接通樣品流路。樣品處理系統中大量使用的是二通球閥(2-WayBall Valves)和三通(3-WayBall Valves)球閥,根據驅動方式,二通、三通球閥又可分為手動、氣動、電動幾種。此外,有時還少量使用四通、五通、六通、七通球閥。
(2)旋塞閥(Plug Balves)閥芯呈圓柱形,其作用同二通球閥。
(3)單向閥(Check Valaes)又稱止逆閥、止回閥,只允許樣品單向流動,而不能逆向流動。
(4)針閥(Needle Valves)閥芯呈圓錐形,用于微調樣品流量和壓力。
(5)穩流閥 用于穩定樣品流量和壓力。
(6)限流閥、限流孔板 限制樣品流量不超過某一允許值,起安全保護作用。
(7)浮子流量計(Flowmeter)又稱轉子流量計,用于指示樣品流量。其錐形圓管材料有玻璃和金屬兩種,浮子材料有不銹鋼、銅、鋁、塑料等幾種。樣品系統中多使用帶針閥的浮子流量計,既可指示流量,也可調節流量。有時也使用帶低流量報警的浮子流量量,當樣品流量低于規定值時發出報警號,以免分析儀發出錯誤的流量信號。
? 氣體多路取樣流路切換系統
在多流路分析中,需要多流路切換系統。一臺多流路分析儀和數臺單流路分析儀相比,可節約很多資金。但多流路分析系統有更大的故障率和維護量。當分析儀出現故障停運時,所有流路的分析中斷和信息損失。樣品之間可能出現串氣現象,分析間隔周期較長。
流路切換系統常見故障是閥件泄漏、樣品置換不干凈、流路樣品之間摻混。
流路切換系統常采用以下兩種方式
1.切斷和放泄系統
采用兩個三通閥的雙通雙阻塞系統,構成如圖。

圖中NO3流路被選擇。NO1和NO2流路的樣品被雙閥隔斷,雙閥之間死體積中滯留的樣品或由于閥門偶爾泄漏流入的少量樣品經旁通管路排入火炬系統,不會對NO3流路造成污染。
2.反向洗滌系統。
采用被選擇流路的樣品反吹洗滌其他流路的系統,構成和原理如圖所示。

圖中NO3流路被選擇。NO1和NO2流路和標準氣流路的樣品被氣動二通閥截斷。NO3流路的樣品在流向分析儀的同時,還反向吹洗NO1和NO2流路和標準氣流路,將上述流路啟動出發前滯留的樣品或由于閥門偶爾泄漏流入的少量樣品吹出,經旁通管路排入火炬系統,因而不會對NO3流路造成污染。
? 氣體樣品處理后排放的原則
樣品排放要求不應對環境帶來危險或造成污染。
氣體樣品的排放方式有:
1.排火炬或返回工藝管線。
這對于易燃、有毒或腐蝕性氣體是最安全最經濟的處理方法。
樣品返回點的壓力應低于排放壓力,以維持一定的排放壓差。
而且返回點不應有壓力波動,否則影響分析值得穩定性和準確性。
如果樣品中有易冷凝的組分,排放管線應伴熱保溫,并在適當位置加凝液閥以排除冷凝物。防止凝液堵塞和背壓形成。
多臺儀表的集中排放,應保證總管有足夠的容積,總管口徑應是分析儀排氣管的6倍以上。總管水平敷設時,應有1:100—1:10的斜度,以利于排放,且排氣管應從總管上部垂直接入,避免排放口被總管內積液或雜質瘀堵。還可以用排氣收集罐取代排氣總管,每臺分析儀的排氣管線分別接入罐中。
2.排大氣。
直接排放。對環境無危害的清潔、無毒、不易燃氣體可直接排大氣。有些以大氣壓力為參照點的分析儀(如紅外、氣相色譜儀的柱系統和檢測器出口等),也需要直接排入大氣。排放時,可在分析小屋頂部伸出一根垂直管子,管子未端應裝有防護罩或180?彎頭,防止雨水侵入并將風的影響減至最低限度。如果含有冷凝物,則加一個低點排放。
稀釋排放。即設置稀釋排放系統,用壓縮空氣和氮氣在一個足夠容積的稀釋罐中稀釋至LEL以下,通入放空煙窗(高于6米)排空。
對于以大氣壓力為參照點的分析儀,應注意大氣壓變化對分析儀示值誤差的影響。因為氣候變化會引起大氣壓的變化,尤其是下雨時,這個變化不能忽視。必要時可加裝絕對壓力調節閥。
? 液體樣品的排放
液體樣品的排放方式及應注意的問題;
1.返回工藝管線
液體樣品一般是直接返回工藝流程,特別是具有產品、中間產品或原料價值時。液體樣品一般需要泵送以提供傳動壓力。
2.就地排放
如果樣品不能返回工藝,少量的、不含易燃、有毒、腐蝕性成分的液體樣品可排入化學排水溝或污水溝送處理廠處理,如含有上述成分則需經過處理后才能排放。但是,決不能排入地表水排水溝里。
需注意的一點是:如果液樣中含有易揮發的可燃性組分、或混有可燃性氣體成分時,必須將其脫除后才可以排放。
? 特殊樣品的取樣和處理系統
特殊樣品是指那些取樣點工藝條件苛刻、樣品組成復雜、采樣一般的處理方法難以奏效的樣品。例如:乙烯裂解氣取樣和樣品預處理系統。
目前,我廠乙烯裂解氣取樣采用的是PY-GAS 美國Fluid Date )的產品。它基于回流取樣的原理,在世界范圍內廣泛采用,我國乙烯裂解裝置也大多選用該產品。 PY-GAS的結構如圖所示:

該裝置由過濾逆流部件、列管式冷卻器、渦旋置冷觀和溫度控制器四個部分組成。
工作過程如下:
1. 高溫、高含水、高油塵樣品先經過過濾段除去一部分液態油滴。
2.渦旋制冷管產生0—30℃的制冷氣源,經列管式冷卻器換熱冷卻樣品,使絕大多數的水分和重的烴類冷凝為液體,順樣品管流下,沖洗過濾逆流部件后,返回工藝管道。
3.冷卻后的樣品用測溫元件測量,溫度控制器根據測溫信號調節壓縮空氣出口壓力(即調節冷氣流量),以保持設定制冷溫度,并控制樣品出口閥門,使達到要求的樣品送出,再經簡單的處理,過濾吸附掉殘留的水分和夾帶的油霧后送氣體分析儀或色譜儀進行測量。
SINZEN新澤儀器有限公司在焦爐煤氣或者煤氣爐煤氣測量氧含量的時候使用這種類型的取樣探頭獲得了不錯的效果。
常見問題和注意事項:
裂解氣的取樣點是在急冷器出口管道上,樣品中含有大量急冷油,此點的主要問題是除油,不需要用除焦閥除焦。因此,對PY-GAS之后的油氣分離,還要重視,加強巡檢維護,及時發現并采取相應措施,避免帶油樣氣進入色譜柱造成危害。
從PY-GAS之后到氣體分析儀之間的樣品傳輸管線應采用∮10MM的不銹鋼管,并應采取伴熱保溫措施。


需求溝通傾聽客戶需求,了解用戶使用環境和現場工況
方案設計根據現場實際工況,針對性出具解決方案
合同簽訂技術和商務規范確認,簽訂合作協議
產品制作選擇最優質的元器件,嚴格按照技術協議
調試安裝現場規范安裝,靜態動態調試,分析儀運行
售后服務后續維護,持續跟進,終身維修